首页
关于我们
走进宇航
About HENLIAN
公司简介
组织架构
发展历程
公司场景
产品中心
资讯中心
客户服务
企业资质
联系我们
人才招聘
产品中心
GJB2889系列
GJB599系列
GJB598系列
GJB600系列
YF系列
YW-CT55系列
矩形系列
高频系列
矿用产品系列
宇航级连接器
野战电连接器
水密连接器
气密性电连接器
产品搜索
当前位置:
首页
>
产品中心
>
宇航级连接器
宇航级连接器
GJB599III复合材料圆形连接器
产品型号:GJB599系列III
* 符合GJB599A(MIL-DTL-38999K)Ⅲ系列
* 三头螺纹快速连接,并带防松脱机构
* 体积小,重量轻,接触偶密度高
* 具有电磁屏蔽功能
* 接触件压接可取卸,插针防斜插
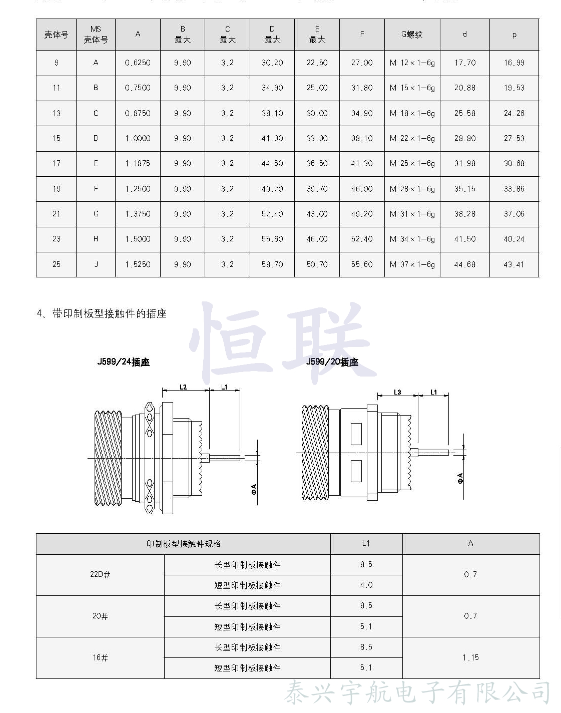
* 12#、 16#接触件规格的孔位可装配光纤接触件
* 12#、 10#、 8#接触件规格的孔位可装配同轴、屏蔽接触件
* 具有防火壳体、复合材料壳体、铝合金壳体和多种镀层
* 具有高温下的高强度振动特性,能适合在恶劣的风砂和潮湿的场合下使用
查看大图
产品介绍
相关产品
产品手册下载
泰兴宇航电子有限公司
[苏ICP备10217946号]
版权所有 Copyright
©
2013-2019
Powered by
PageAdmin CMS
V3.0